Toro 22342HD TX 427 Narrow Track Compact Utility Loader (Serial #: 409450000 - 410399999) Parts Diagram
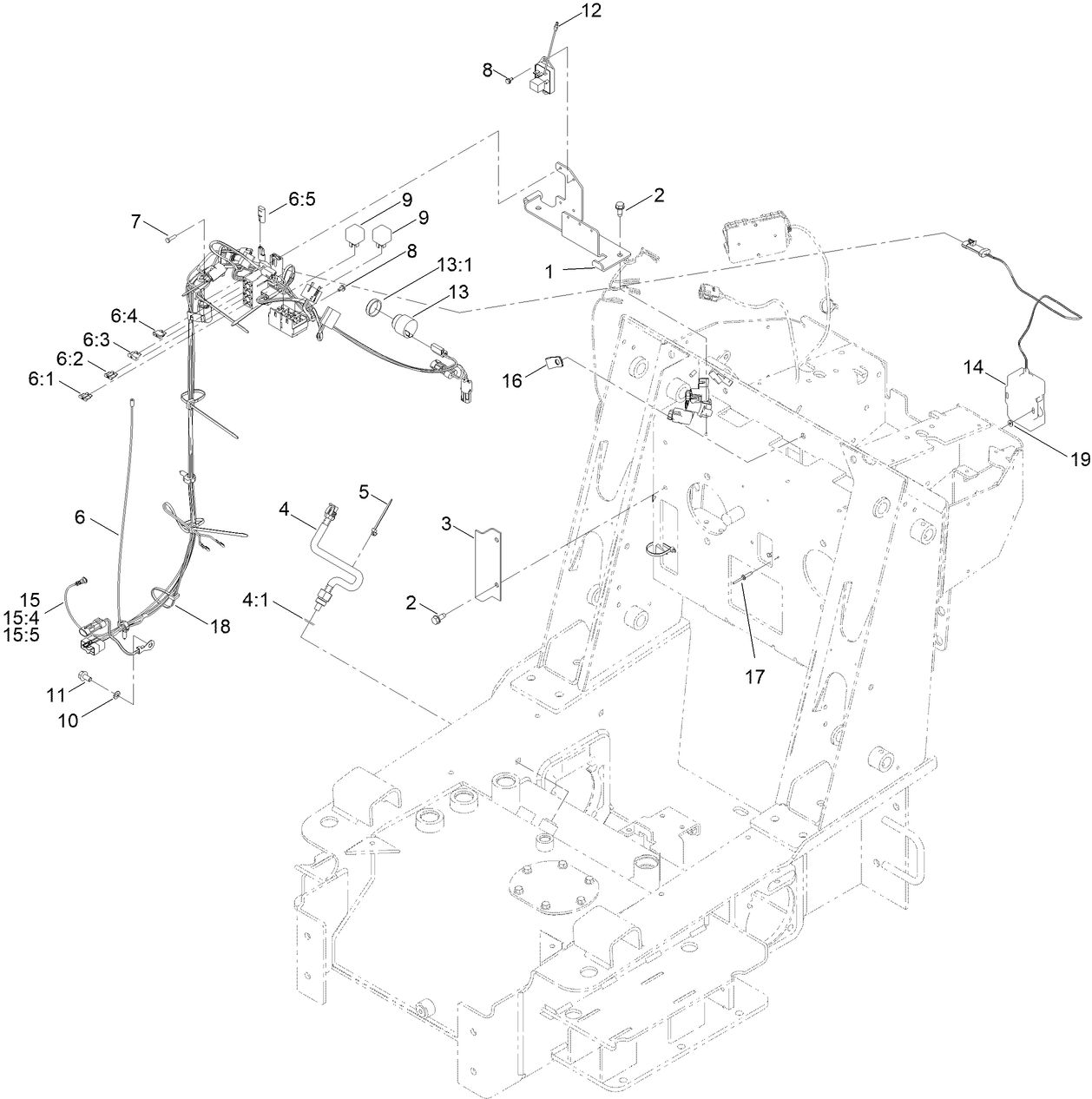
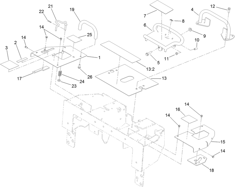
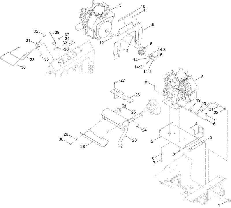
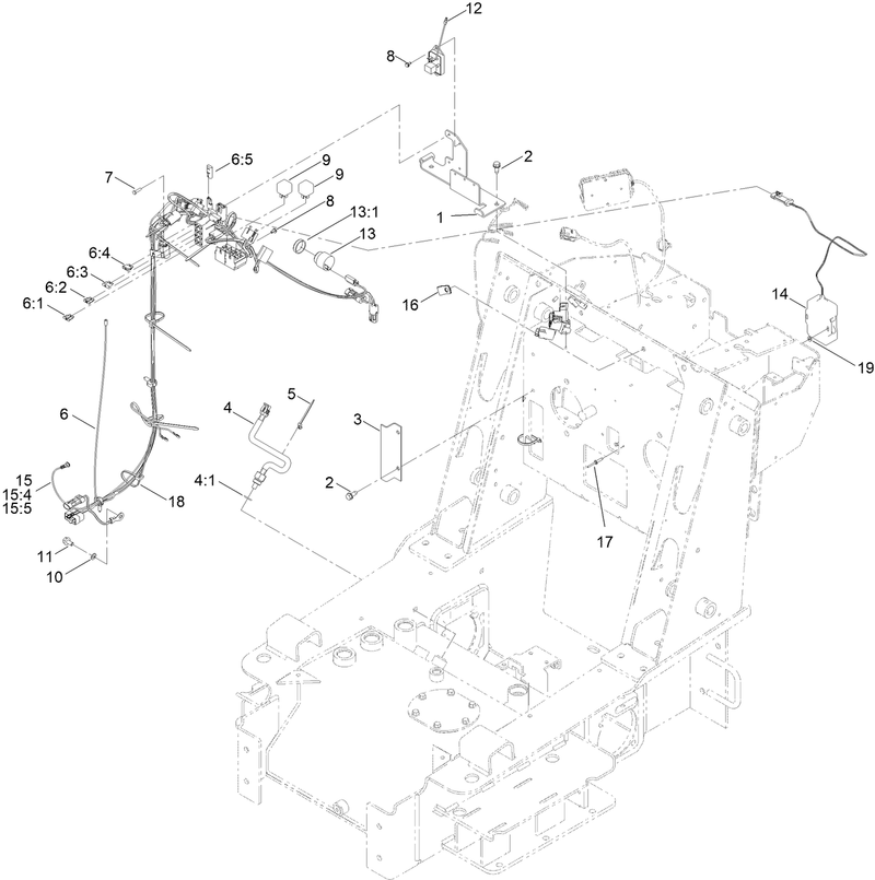
Diagrams:
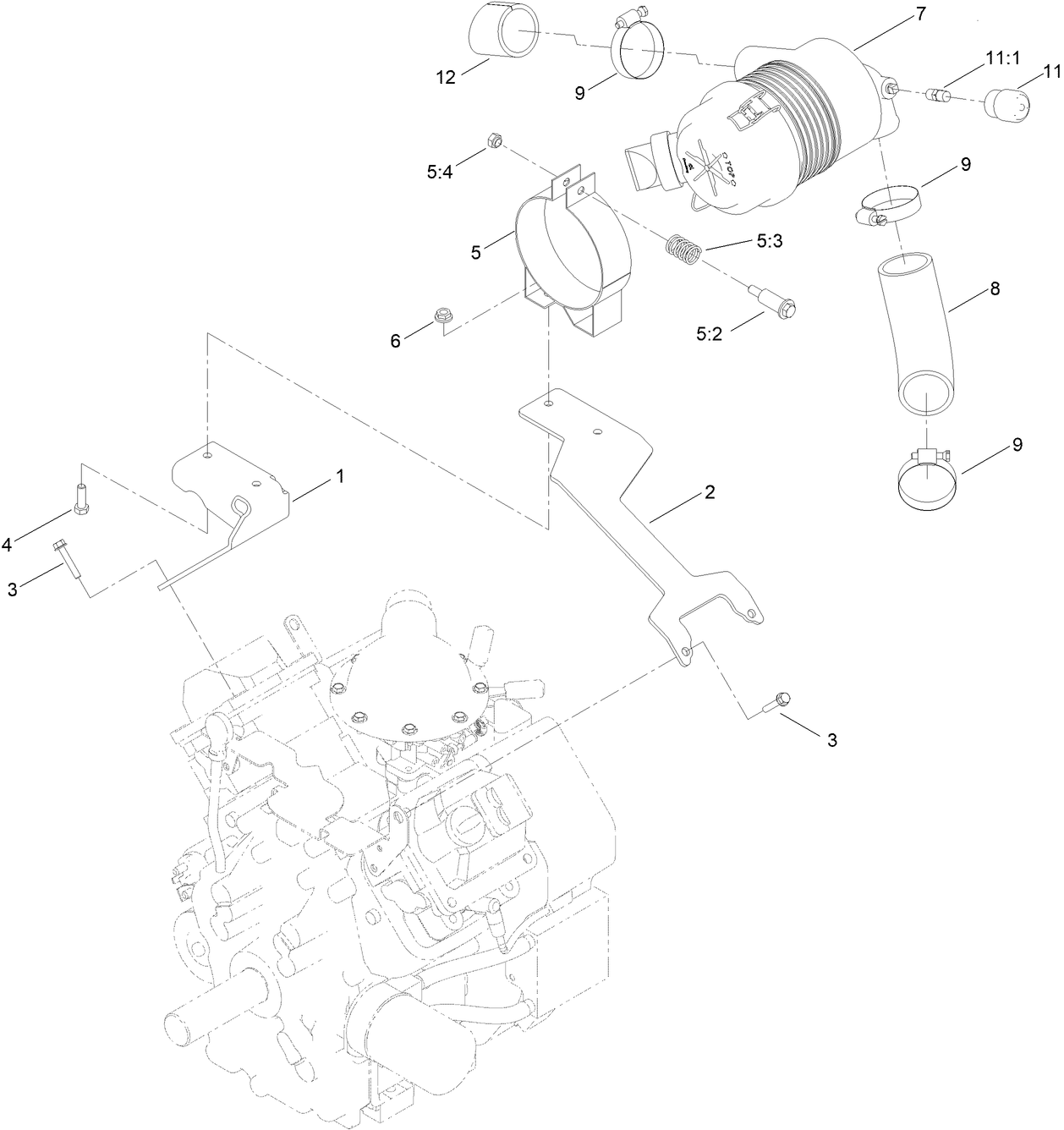
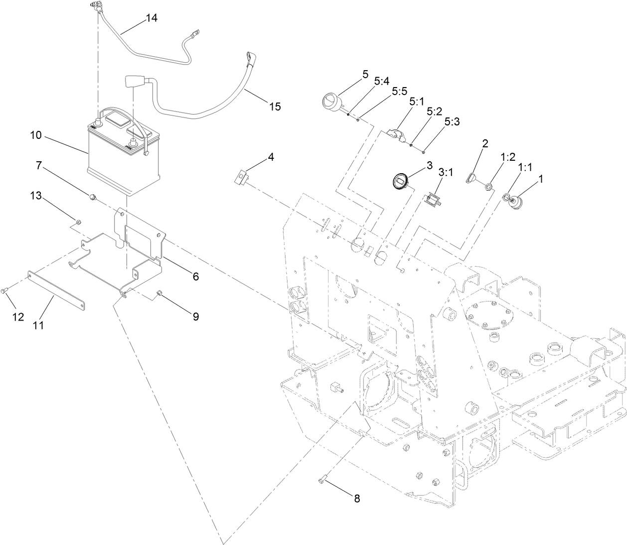
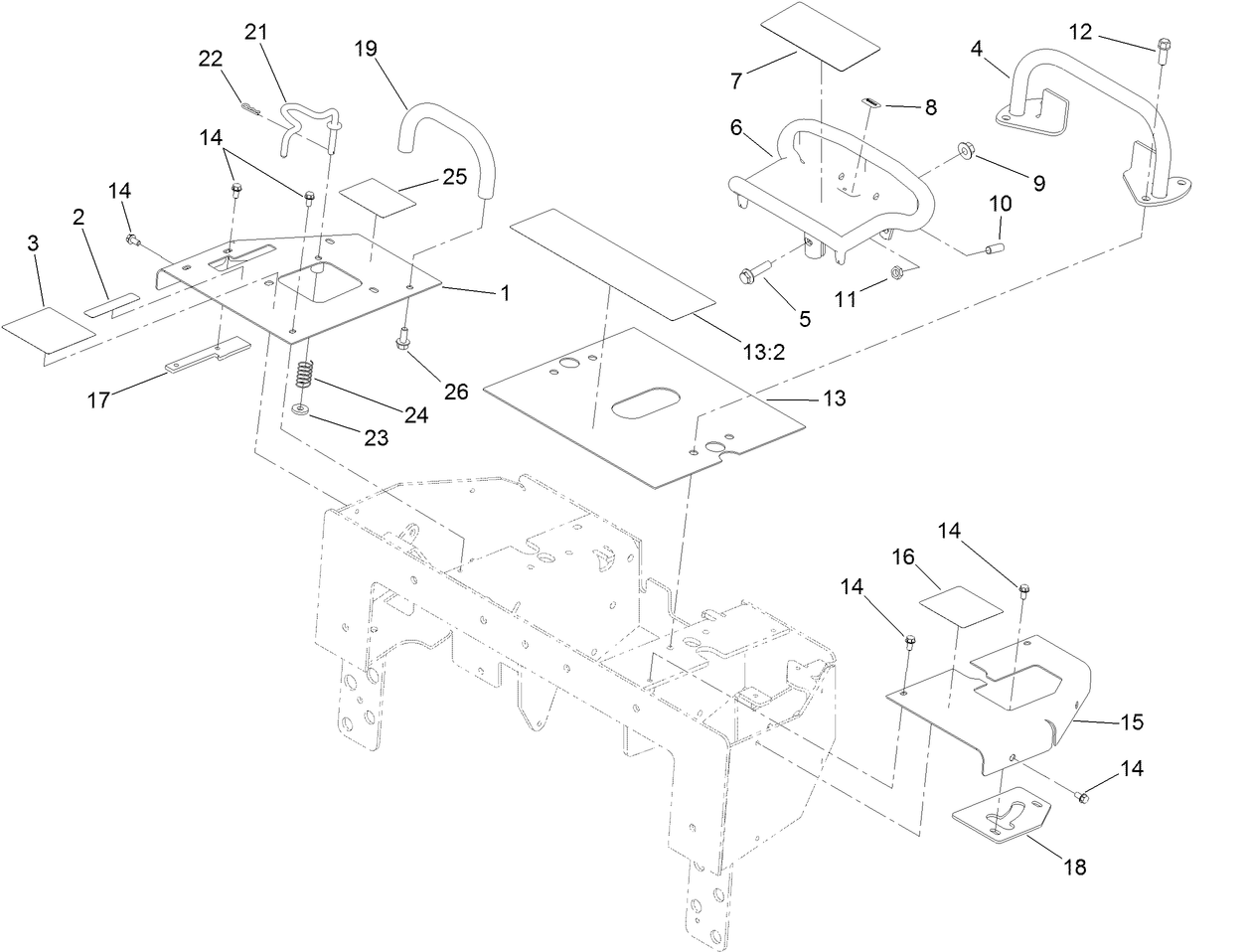
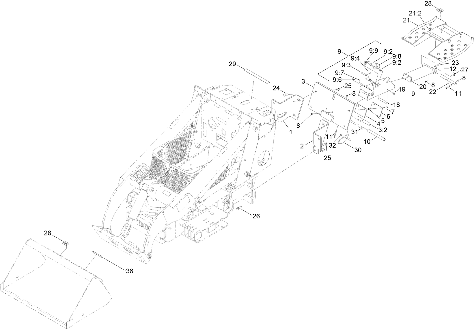
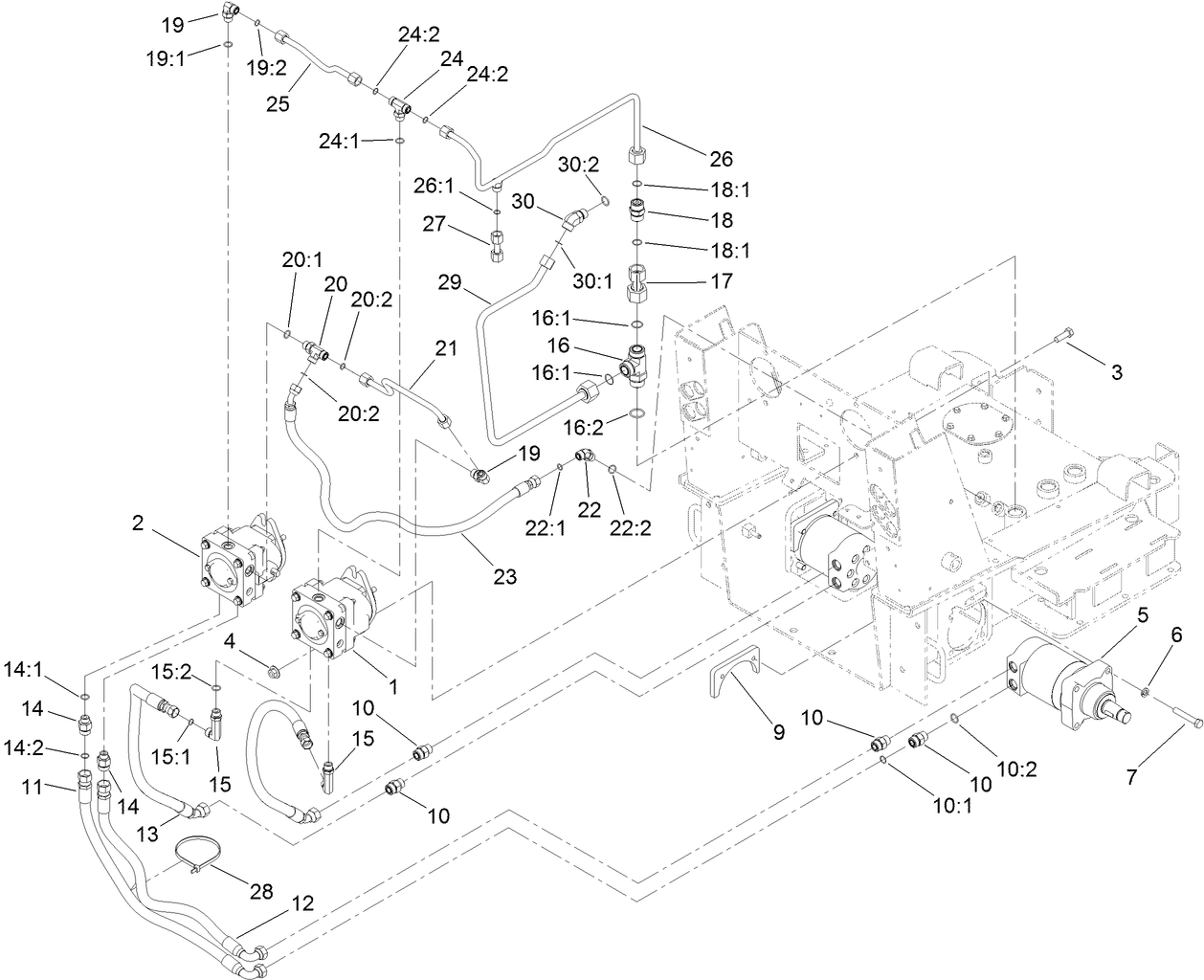
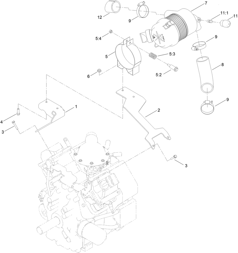
Diagram:
SUBSCRIBE AND GET EXCLUSIVE DEALS!
Subscribe to our newsletter TODAY and GET $10 OFF your next order of $100 or more. Our newsletter contains special offers, discounts and updates on new EGO products































