Toro 44424 PROLINE™ 48 in. (122 cm) Mid-Size Mower (Serial #: 414000000 - 415299999) Parts Diagram
Diagrams:
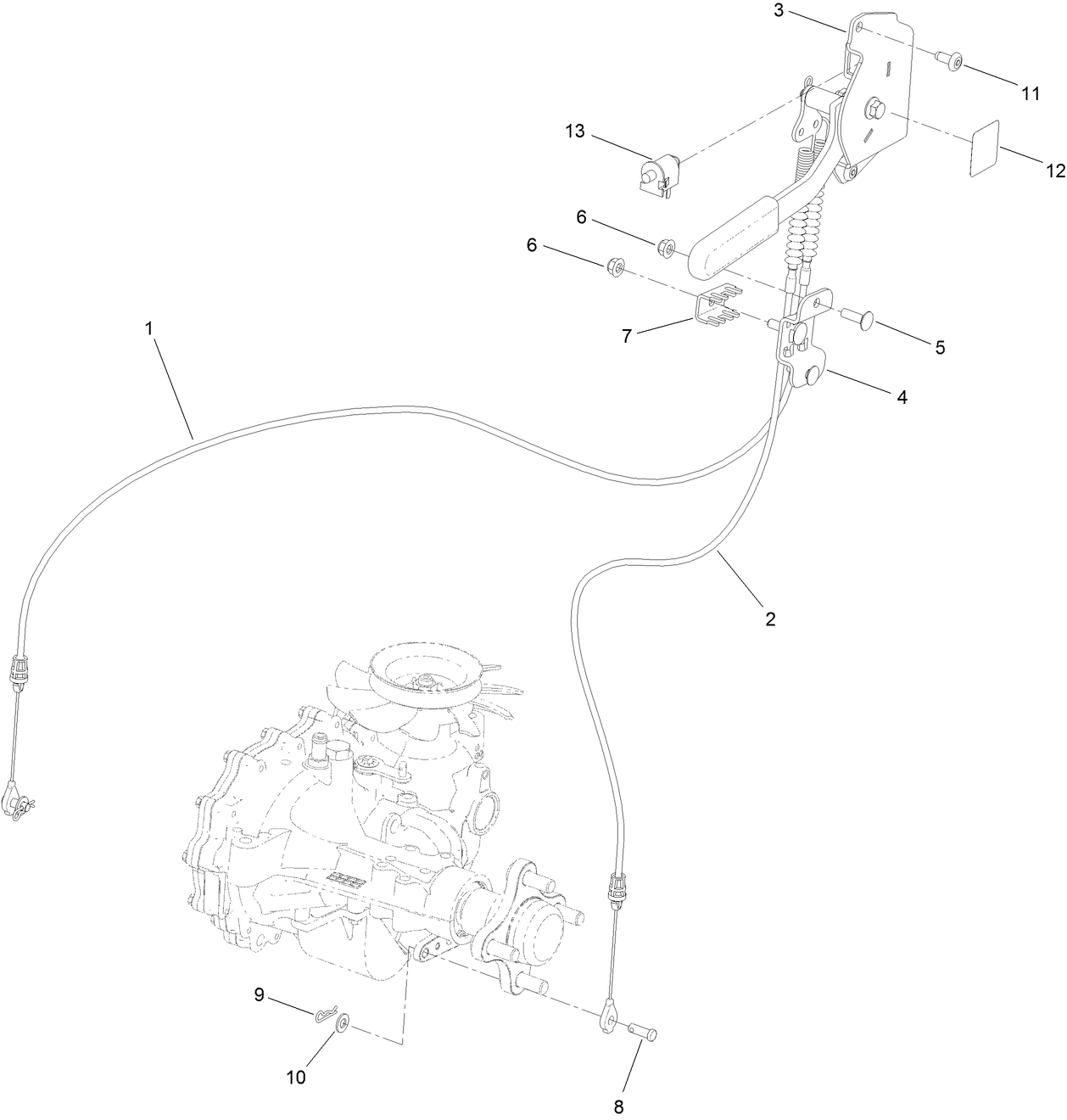
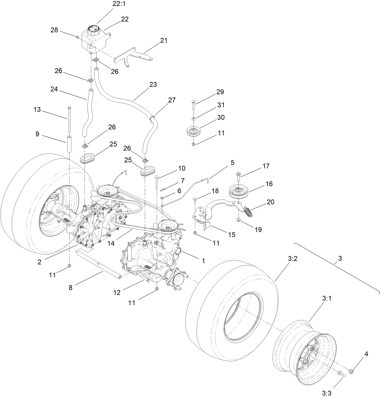
Diagram:
SUBSCRIBE AND GET EXCLUSIVE DEALS!
Subscribe to our newsletter TODAY and GET $10 OFF your next order of $100 or more. Our newsletter contains special offers, discounts and updates on new EGO products
















