Toro 44424TE ProLine Commercial Walk-Behind Mower with 122cm Deck (Serial #: 413000000 - 417999999) Parts Diagram
Diagrams:
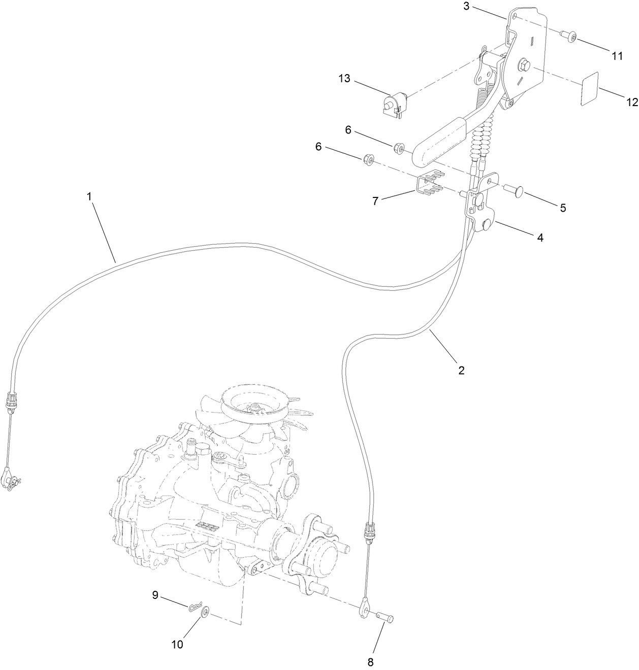
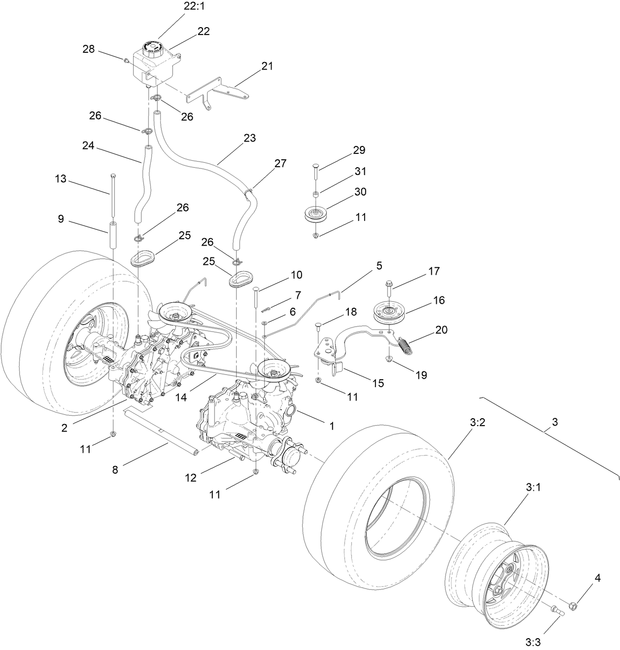
Diagram:
SUBSCRIBE AND GET EXCLUSIVE DEALS!
Subscribe to our newsletter TODAY and GET $10 OFF your next order of $100 or more. Our newsletter contains special offers, discounts and updates on new EGO products

















